Measurement Computing's DAQami
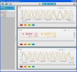
DAQami is an easy-to-use data acquisition software that allows users to quickly and easily acquire, view and log data from DAQFlex-supported devices. The software allows users to configure device, channe, and acquisition options as needed, view analog input or temperature data on any combination of scalar, strip and block displays, and customize display size and location, zoom factor and channel/trace colors. Watch a video demo of DAQami.
